Coupe Circuit 6 Pôles
Indispensable à votre sécurité
- Coupe circuit mécanique
- 6 pôles
- Levier "1/4 de tour"
- Peut être actionné à distance avec la tirette optionnelle
- Compatible 6 à 24V, max. 100A
Choisissez le bon produit avec de vrais experts
04 11 93 85 65
(Lundi au Jeudi : 9h-12h30 et 13h30-18h et le Vendredi : 9h-12h et 14h-18h).
info@bpsracing.com (sous 48 heures)
Livraison gratuite en France à partir de 50 € (voir conditions ici)
Spécifications du Coupe Circuit 6 Pôles
Indispensable à votre sécurité sur circuit, ce coupe circuit 6 pôles est équipé d'un levier tournant "1/4 de tour". Il assure une ouverture (déconnexion) instantanée de votre circuit électrique et peut être actionné par le pilote, ou depuis l'extérieur grâce à sa tirette optionnelle.
Compatible avec tous les circuits électriques en courant continu de 6 à 24V, pour une intensité maximale de 100A.
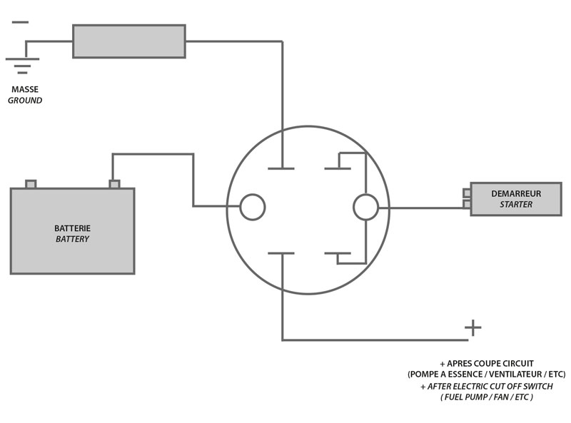
Schéma d'installation du Coupe Circuit 6 Pôles

| Homologation | FIA |
|---|




